压缩空气流量计的原理
压缩空气流量计表据卡门漩涡原理,用垂直插入流体中的非流线型阻流体产生漩涡分流,当流体绕过非流线型柱体时,由于边界层不稳定性,使物体分离的漩涡有一定的规律性,当雷诺数较高时,旋涡在柱体的某一侧形成并分离时,则另一侧就不可能形成旋涡,只有某一侧旋涡离开柱体一定距离后,另一侧才会可能形成旋涡。于是,随着流体连续流动,在柱体两侧形成交替、有规律的旋涡列,从而进行检测,即采用压电晶体检测流体通过管道内三角柱时所产生的旋涡频率,而测量出流体的流量。

压缩空气流量计具有测量精度高、量程宽、功耗低、安装方便、操作简单、压力损失小等优点,可测量工况体积流量或标准体积流量(一体化智能温度、压力补偿)。根据用户需要,可附带脉冲或4~20mADC电流输出功能。是目前比较理想的天然气计量仪表。我公司生产的天然气流量计广泛应用于石油、化工、电力、冶金、城市供气等行业测量各种气体流量,是目前油田和城市天然气输配计量和贸易计量的首选产品。
压缩空气流量计优点:
1.内置式压力、温度、流量传感器,安全性能高,结构紧凑,外形美观。
2.就地显示温度、压力、瞬时流量和累积流量。
3.采用新型信号处理放大器和独特的滤波技术,有效地剔除了压力波动和管道振动所产生的干扰信号,大大提高了流量计的抗干扰能力,使小流量具有出色的稳定性。
4.流量计 特有时间显示及实时数据存储之功能,无论什么情况,都能保证内部数据不会丢失,可永久性保存。
5.整机功耗极低,能凭内电池长期供电运行,是理想的无需外电源就地显示仪表。
6.表头可180度随意旋转,安装方便。
压缩空气流量计选型
面对如此众多品种的天然气流量计,对于一般用户选型成了一个难题。如何科学地、客观地选出最好的压缩空气流量计,流量计是需要关注的一个问题。我们认为选型应当遵循适当的规则,尽量避免厂商的误导宣传,为自己找到一种恰到好处的天然气流量表,它就是自己的理想流量计。
选型可按五个方面进行:压缩空气流量计性能方面、流体特性方面、安装条件方面、环境条件方面和经济因素方面。各方面的考虑因素如下:
1.压缩空气流量计性能方面:精确度、重复性、线性度、范围度、压力损失、上下限流量、信号输出特性、响应时间等;
2.压缩空气流量计流体特性方面:流体压力、温度、密度、粘度、润滑性、化学性质、磨损、腐蚀、结垢、脏污、气体压缩系数、等熵指数、比热容、电导率、声速、混相流、脉动流等;
3.压缩空气流量计安装条件方面:管道布置方向、流动方向、上下游管道长度、管道口径、维护空间、管道振动、接地、电源、辅属设备(过滤、排污)、防爆等;
4.压缩空气流量计经济因素方面:购置费、安装费、维修费、校验费、使用寿命、运行费(能耗)、备品备件等。
压缩空气流量计主要参数
| 公称通径(mm) | 15、20、25,40,50,65,80,100,125,150,200,250,300,(300~1000插入式) |
| 公称压力(MPa) | DN15-DN200 4.0(>4.0协议供货),DN250-DN300 1.6(>1.6协议供货) |
| 介质温度(℃) | 压电式:-40~150,-40~260,-40~330;电容式: -40~400,-40~500(协议订货) |
| 本体材料 | 1Cr18Ni9Ti,(其它材料协议供货) |
| 允许振动加速度 | 压电式:0.2g 电容式:1.0~2.0g |
| 精确度 | ±1%R,±1.5%R;插入式:±2.5%R, |
| 范围度 | 1:6~1:30 |
| 供电电压 | 传感器:DC +12V,DC +24V;变送器:DC +12V ,DC +24V;电池供电型:3.6V电池 |
| 输出信号 | 方波脉冲(不包括电池供电型):高电平≥5V,低电平≤1V;电流:4~20mA |
| 防护等级 | IP65 |
| 环境条件 | 温度-20℃~55℃,相对湿度5%~90%,大气压力86~106kPa |
| 适用介质 | 气体、液体、蒸汽 |
压缩空气流量计注意事项
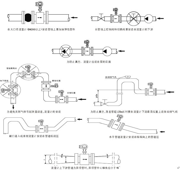
在天然气流量计上下游提供足够的直管段并确保非弯曲的对称外形。尽可能在仪表下游安装阀门。竖直安装通常是优先选择的,向上游动的流体能确保仪表总是满管,且介质中的成分能够均匀分布。在易于振动的长管路中进行安装时,应在流量计的上下游安装消除器。对于天然气的应用,仪表安装应避免安装在U形弯底部,避免因吸收冷凝而在开车时导致的水锤现象,水锤的强度导致传感机构过分受力,致使传感器永久损坏。

安装
流体条件:单向流充满整个管道,液体中允许有少量气泡和固定微粒,气体中允许有少量固体、尘粒和夜雾。饱和蒸汽的干度不小于85%。不得有旋转流和脉动流。雷诺数Re>4000。温度,压力在规定范围内。
管道条件:
涡街流量计传感器的前后应有足够长的圆形直管段,其内径光滑并与通径DN一致。前后直管段视前面状态而变,确保流体为充分发展的流态。
1、整流器的安装:场地限制,直管段无法满足,应安装整流器,是一种非均匀分布多孔整流器,结构简单,成本低,安装方便,阻力损失小。
2、安装条件:远离震动源,有振动时在前后直管段2D处加支架用橡皮减振。传感器通径圆应与前后直管段内径圆保持同心。法兰焊接时,密封夹紧时,管内不得有突出部分。流向应与箭头方向一致。(高温时推荐2、3、4位置,常温和低温时推荐1位置,垂直管道时选3位置。
3、温度压力补偿安装:P------压力变送器,T---------温度传感器,安装在直管段上。
4、爆炸性场所安装:在搬运或安装时候承受的加速冲击不允许超过2g。安装要求应符合《中华人民共和国爆炸危险使用场所电气安全使用规程》规定,涡街流量计必须与电源,信号安全栅配套使用,或者选用隔爆型传感器(变送器),不得直接与其他供电系统连接。


